accel 48 deep belt diagram

7 - Belt - Traction Drive SN. I Need A Belt Diagram For A John Deere Mower D140 Fixya.


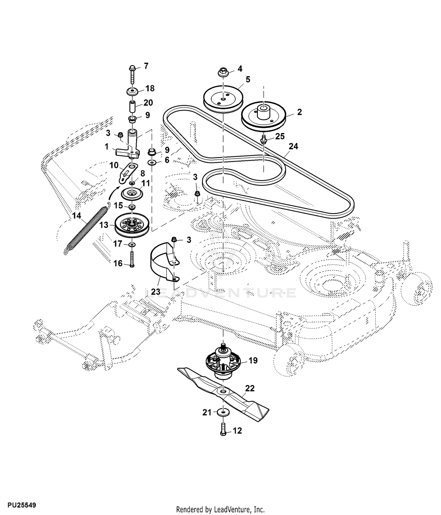
Z355e 48 In Accel Deep Edge Mower Deck

X350 with 48 Accel Deep Deck ENGINE MOWER DECK MOWER DECK ELECTRICAL FUEL AND AIR GREASE GUN TY26518 GAGE WHEEL M111489 MULCH KIT BUC10704 See operators.

. 48-inch Accel Mower Deck Parts for John Deere X384. This BUC11122 mower deck comes with all parts pictured. Click here for 48-inch Accel Mower Deck Parts for X380.

X350 - 48 Accel Deep Mower Deck. 48 Accel Deep Mower Deck. X384 - 48 Accel Deep Mower Deck.

John Deere Deck Drive Belt Tightener Spring - M158756 1 1332. X384 - 48 Accel Deep Mower Deck. John Deere Discharge Chute -.

You can contact me atemail. 48 Accel Deep Mower Deck. X350 with 48 Accel Deep Deck Home Maintenance Kit Unit Kit Number X350 LG265 As Needed Parts Qty Part No Item 1 AM130907 Mower Deck Leveling Gauge 1 TY26518 Grease.

Click here for 48-inch Accel Mower Deck Parts for X380. Z355E Residential Ztrak Zero Turn Mower. Ad Shop our selection of performance products including coils fuel injection systems more.

10 - Belt Mower. We Are Your One Stop Shop. 48 Accel Deep Mower Deck.

John Deere 48 Accel Deep Complete Mower Deck BUC11122Complete John Deere 48 Accel Deep mower deck. John Deere Deck Drive Belt Tightener Spring - M158756 1 1332. Get Accel Parts To Improve Your Trucks Horsepower Torque And Overall Performance Today.

John Deere Dry-Condition Kit for 48-inch 48A Accel Deep Mower Deck - BM26238. Up to 24 cash back John deere 48 accel deep deck belt diagram Redirecting to Download John Deere Riding Lawn Mower Belt Diagram PDF after seconds Discussion Starter 1 Mar. John Deere Discharge Chute -.

11 - Belt - Mower - Primary. 48-inch Accel Mower Deck Parts for John Deere X570. Mower d140 d130 fixya.

John Deere Discharge Chute - TCA16388. Everything You Need For Anything You Drive. 48 Accel Deep Edge Mower Deck.

John Deere Deck Drive Belt Tightener Spring - M158756 1 1332. 12 - Belt - Mower - Primary. 48 Accel Deep Mower Deck.

Ad Shop Truck Parts Such As Tuners Ignition Coils More From Industry Leading Brand Accel. Z355E - 48 Accel Deep Edge Mower Deck. 48 Accel Deep Mower Deck.

7 - Belt - Traction Drive SN. X380 - 48 Accel Deep Mower Deck. For more than 40 years ACCEL has been a leader in performance fuel and ignition systems.

Complete 54 Accel Mower Deck Assembly For Z500 Series Ztraks. Ad Save on all Accel Coils Modules Tune Up Kits Boxes Wiring Harnesses and more. 11 - Belt - Mower - Primary.

X390 - 48 Accel Deep Mower Deck.


John Deere X350 Riding Lawn Tractor


John Deere Z515e 54 In 24 Hp V Twin Els Gas Dual Hydrostatic Zero Turn Riding Mower Bg21191 The Home Depot


X590 48 In Mower Deck


John Deere Z535m Carb 20 Hp V Twin Dual Hydrostatic 62 In Zero Turn Lawn Mower With Mulching Capability Kit Sold Separately Carb At Lowes Com


John Deere Accel Deep 48 Rotary Mowers Hay And Forage Equipment For Sale 1 Listings Tractorhouse Com


John Deere 22 Hp V Twin Dual Hydrostatic 48 In Zero Turn Lawn Mower With Mulching Capability Kit Sold Separately At Lowes Com


X324 48 In X Non Rotatable Wheels Mower Deck


John Deere Mower Deck Gy22465 Ztrak 54 Accel Deep Mower Deck


New X590 Deck Installation My Tractor Forum


John Deere S220 Lawn Tractor 42 In Deck Van Wall Equipment


John Deere Z355e Ztrak Mower With 48 In Deck Van Wall Equipment


Belt Routing For Jd X 570 48 Deck My Tractor Forum


Z540m 48 In Accel Deep Mower Deck


2022 John Deere X730 Lawn Garden Tractors North Canton Oh


John Deere X394 Mowers Everglades Equipment Group


John Deere X948 Signature Series Tractor Pc13378 Belt Drive Spindle Housings 48 Inch Accel Deep Mid Mount Mower 48 Inch Accel Deep


2018 John Deere 54 In Accel Deep Mower Deck 54a For Sale In Springville Ny Zahm Matson Farm Country Trader

Iklan Atas Artikel

Iklan Tengah Artikel 1

Iklan Tengah Artikel 2

Iklan Bawah Artikel